Системы безопасности дома Схемы и идеи систем безопасности

 

Лаборатория домашней безопасности

Схемы и идеи систем безопасности для самостоятельного изготовления

 

 

Есть идеи или полезные схемы? Рады будем опубликовать! Присылайте:

  sechome@narod.ru

 

 

ОХРАННОЕ УСТРОЙСТВО НА ТРЕХ РЕЛЕ

 

 

Фильтр собран на двух электролитических конденсаторах С2 и СЗ.

Стабилизатор напряжения параметрического типа выполнен на стабилитроне VD5 и транзисторе VT2. Резистор R6 поддерживает нормальный режим работы регулирующего транзистора при отключенных устройствах сигнализации и реле времени. Транзистор VT2 работает в режиме эмиттерного повторителя. Электронное охранное устройство, собранное по схеме последовательного включения, предназначено для охраны квартир с оповещением соседей других квартир звуковыми сигналами. Большого эффекта охраны жилых помещений можно достигнуть, если по договоренности с жильцами соседних квартир сигнальные элементы установить у них. Этим можно добиться практически полной охраняемо-сти и оповещения при проникновении посторонних лиц через окна и двери, где размещены контакты, отключающие сигнальное устройство от сети. Охранное устройство можно использовать для охраны хозяйственных помещений и построек на садово-огородных и приусадебных участках, а также гаражей, производственных помещений, складов и подвижного транспорта, в том числе речных катеров.

Электропитание охранного устройства осуществляется от сети переменного тока напряжением 220 или 127 В частотой 50 Гц, а также от автономного источника питания, номинальное напряжение того 12 В.


При этом от аккумуляторной батареи охранное устройство начинает работать сразу же после отключения от сети переменного тока без дополнительных переключений.

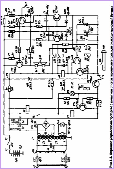
Принципиальная электрическая схема электронного охранного устройства на полупроводниковых приборах и трех электромагнитных реле приведена на рис. 1.4.

Охранное устройство состоит из устройства подключения к источникам электропитания; сетевого понижающего трансформатора питания Т1; выпрямителя, работающего на емкостный фильтр; параметрического стабилизатора напряжения; электронного реле времени; сигнального узла с исполнительным устройством и сигнальных целей.


Входное устройство обеспечивает подключение охранной сигнализации к сети переменного тока или к автономному источнику электропитания напряжением, обеспечивает предохранение устройства от коротких замыканий в первичных цепях, а также сигнализацию о готовности к работе. На входе установлены сетевые плавкие предохранители FU1 и FU2, индикаторная лампа HL1, зажимы для подключения аккумулятора и электрические переключатели SA1 и SA2.

Сетевой понижающий трансформатор питания Т1 изготавливают на унифицированном броневом магнитопроводе типа Ш. Трансформатор питания имеет одну катушку с тремя обмотками, изолированными друг от друга технической лакотканью. Катушку с обмоточными проводами устанавливают на центральном стержне магнитопровода.


Активная площадь сечения стали магнитопровода должна быть не менее 5 см . Напряжение питания 220 В подается на выводы 1 и 3, напряжение 127 В — на выводы 1 и 2. На вторичной обмотке трансформатора в режиме холостого хода действует напряжение 13,2 В переменного тока. Моточные данные сетевого понижающего трансформатора приведены в табл. 1.7. Сетевой трансформатор Т1 кроме основной функции трансформации напряжения до значения, необходимого для работы охранного устройства, обеспечивает гальваническую развязку вторичных цепей от сети переменного тока и дополнительную электробезопасность его эксплуатации и настройки.

ОХРАННОЕ

Таблица 1.7. Моточные данные сетевого трансформатора питания Т1, применяемого в бытовом охранном устройстве

Тип трансформа-

Тип магнятопро-

Обмот-

Выводы

Марка и диаметр

Число вит-

Сопротивле-

тора

вода и марка стали

ка


провода, мм

ков

ние постоянному току, Ом

Броневой, с

11112x30

I

1–3

ПЭВ-2 0,21

1995

83

одной катуш-

3311 (толщи-

2–3

ПЭВ-2 0,15

840

35

кой

на 0,35 мм)

16

1–2

ПЭВ-2 0,21

1145

48


шихтованный

Экран

0

ПЭВ-2 0,21

1 слой

 —



II

5–6

ПЭВ-2 0,41

55

7,6



III

7–8

ПЭВ-2 0,41

120

18,5


Переменное напряжение со вторичной обмотки трансформатора Т1 поступает на выпрямитель неуправляемого типа, выполненный на четырех выпрямительных диодах VD1 — VD4 по однофазной двух-полупериодной мостовой схеме Греца. На выходе выпрямителя имеется емкостный фильтр, сглаживающий пульсации. Напряжение пульсаций на выходе стабилизатора при токе нагрузки 100 мА не превышает 5 мВ.


Система защиты от перегрузок и коротких замыканий в. цепях сигнализации и на выходе охранного устройства собрана на резисторах R1 — R3, транзисторе VT1 и двух электромагнитных реле К1 и К2. Система защиты работает следующим образом. При перегрузке, как только ток, протекающий через резистор R1, превысит установленное значение от 100 мА и выше, открывается транзистор VT1 и срабатывает электромагнитное реле К2, замыкаются его контакты К2.1 и затем срабатывает реле К1, контакты того отключают нагрузку (контакты К1.1). В устройстве защиты включена сигнальная лампа HL2, которая обеспечивает более четкое срабатывание системы защиты. Суммарный ток, протекающий через лампу HL2 и далее через стабилизатор и балластный резистор R3, при отсутствии нагрузки должен несколько превышать ток срабатывания защиты, в противном случае при коротком замыкании в нагрузке контакты реле будут периодически замыкаться и размыкаться. Для устранения этого явления необходимо провести регулировку подбором сопротивлений резисторов.


Реле времени охранного устройства выполнено на транзисторах VT3, VT4, электромагнитном реле КЗ и стабилитронах VD6 и VD9. Сигнальное устройство собрано на транзисторах VT5 — VT8 и диодах VD7, VD8 и VD10. На дверях и окнах устанавливают датчики-выключатели SA3, SA4, которые замыкаются при открывании дверей, окон и Других объектов охраны, что приводит к запуску электронного реле времени. При правильно выбранных номиналах комплектующих элементов, указанных на принципиальной схеме, триггер работает в течение 20 мин. Одновременно с началом работы реле времени срабатывает устройство запуска электрического звонка и сигнального устройства. Тактовый генератор и генератор звуковой частоты обеспечивают генерирование периодически прерывающегося сигнала тревоги, подаваемого через громкоговорители, которые устанавливают в различных точках охраняемых помещений, в том числе и у соседей. Проводку и монтаж системы охраны необходимо выполнять скрытно кабелем в прочной двойной изоляции. Стабилизатор напряжения обеспечивает на выходе 12 В постоянного тока. Переключатель SA2 позволяет работать сигнальному устройству в дежурном режиме. Выходная мощность сигнального устройства не менее 5 Вт.


Отключение сигнального устройства обеспечивается специальной кнопкой, расположение той в помещении известно только ее хозяевам. Общее отключение сигнального устройства производится переключателем SA1. Аккумуляторная батарея вступает в работу только в том случае, когда напряжение на ней больше напряжения, снимаемого со стабилизатора. Включением кнопок переключателей SA2 и SA8 аккумуляторная батарея может быть поставлена на подзарядку.

В охранном устройстве применены элементы следующих типов: резисторы R1 — R16 типа МЛТ, R17, R18 типа СП4–1а, конденсаторы С1 типа МБМ-1–400В, С2, СЗ, С6, С7 типа К50–6, С4 типа К10–7В-25В, С5типа К10–50–25В; переключатели SA1 типа П2Т-1–1, SA2, SA6, SA7 — П1Т-1–1, SA3 — SA5 — КМЫ, SA8 ТВ2–1–2; предохранители FU1 типа МШ, FU2 — ПМ1; аккумуляторная батарея GB1 типа 12ЦНК-0.85 или 10КНГ-3.5Д; электромагнитное реле К1 типа РЭС-10, паспорт РС4.524.303, К2 типа РЭС-15, паспорт РС4.591.003, КЗ типа РЭС-9; электрические соединители XI типа «вилка» с электрическим кабелем с двойной изоляцией длиной не менее 1,5 м, Х2, ХЗ типа КМЗ-1; ИП1 — исполнительный механизм.


В охранном устройстве могут быть использованы и другие аналогичные элементы, не ухудшающие его основные электрические параметры' и эксплуатационные характеристики. Транзистор типа КТ342А можно заменить на транзисторы типов КТ342Б, КТ301В, КТ342Г, КТ312Б, КТ315В, КТ315Г, транзистор типа П214В — на транзисторы типов П214А, П214Б, П314Г, П215, транзистор типа КТ201Г — на транзистор типа КТ312Б; диоды типа Д223 можно заменить на диоды типов Д226А, Д237А, КД105 с любым буквенным индексом, диоды типа КД105Б на диоды типа Д220А; резисторы типа MJIT — на резисторы типов ВС, ВСа, ОМЛТ, УЛИ, С1–4; конденсаторы типа К50–6 — на конденсаторы типов К50–3, К50–12, К50–16, К50–20.

Регулирование сторожевого устройства заключается в подборе сопротивления резистора R1, что позволяет установить номинальное значение постоянного тока, протекающего через стабилитрон VD5, и ток срабатывания системы защиты. Правильно собранное устройство работает сразу же после монтажа, обеспечивая все основные электрические параметры, которые приведены ниже.


Основные технические данные охранного бытового устройства

Номинальное напряжение питающей сети переменного тока, В . . . 127,220 Пределы изменения напряжения питающей сети переменного тока.В . 110. 140

187.242 Напряжение питания постоянного тока от аккумуляторной батареи, В . 12 Пределы изменения напряжения питания постоянного тока, В 9. 14 Выходное стабилизированное напряжение источника, питания, В . . 12

Ток, потребляемый устройством в режиме покоя, мА, не более 4

Мощность, потребляемая устройством, В-А, не менее.60

Время срабатывания устройства, мс, не более .30

Время непрерывной работы, мин, не менее.15

Число охраняемых объектов, не более10

Номинальная выходная мощность, Вт, не менее20

КПД, не менее .0,75


.

  Указатель   Назад   Вперед

 

 

 

 

При использовании материалов этого сайта ссылка обязательна!

Правообладатели статей являются их правообладателями. Информация получена из открытых источников.

Hosted by uCoz